压力试验机数据的存储与上传

压力试验机数据的存储与上传

为了满足压力试验机的数据本地备份功能,采用容量大、读写速度快的S29GL128P10TFI01作为系统的外部Nor-Flash。S29GL128P存储容量为8MB,可以存储近4万次试验数据。
压力试验机的压力传感器及其外围电路设计

压力试验机的压力传感器及其外围电路设计

现在市场上的压力试验机厂家有很多,都在致力于压力试验机设备的研究,力求提高设备性能和质量。作为其中的一员,下面压力试验机厂家--迈捷就压力试验机的压力传感器及其外围电
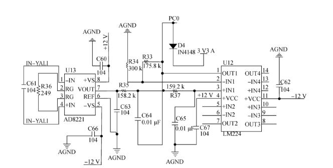
[压力试验机]远程监测系统的硬件设计

[压力试验机]远程监测系统的硬件设计

压力试验机应用远程监测系统,已经受到了社会各界的广泛认可,而此项系统的应用对于人们更好的开展测量工作很有帮助。下面压力试验机厂家--迈捷就压力试验机远程监测系统的硬件
怎么办?液压试验机控制系统的改造如何进行?

怎么办?液压试验机控制系统的改造如何进行?

现在液压试验机在很多工程中的作用越发重要,随着人们对试验机设备要求的增加,试验机的改造工作迫在眉睫。怎么办?液压试验机控制系统的改造如何进行?别急,试验机厂--济南迈
压力试验机负荷加不上?看看油阀有没有故障吧

压力试验机负荷加不上?看看油阀有没有故障吧

很多人在使用压力试验机设备时,会遇到负荷加不上的问题,就很苦恼,影响工程作业的进度。其实,这时候大家不要慌,试验机负荷加不上跟油箱有很大关系,大家可以查看一下油阀
漏油问题会导致卧式拉力试验机负荷加不上

漏油问题会导致卧式拉力试验机负荷加不上

卧式拉力试验机是一种很常用的拉力试验机设备,很多人在操作这种拉力试验机设备时,总会遇到负荷加不上的问题,这是怎么回事呢?下面试验机厂--济南迈捷试验设备有限公司在这里
液压全能试验机的精度详解

液压全能试验机的精度详解

液压全能试验机和电子全能试验机可以说是压力试验机行业中的“双星”,应用很多,效果也特别好。而精度问题是试验机设备的一个关键点,下面压力试验机厂家--济南迈捷试验设备有限公司
上压式微机控制井盖压力试验机配置详解

上压式微机控制井盖压力试验机配置详解

压力试验机 在科研、建筑等行业都有着很大的作用,市场正在不断的扩大,而试验机也有着很多的类型,下面压力试验机厂家--迈捷为大家介绍高性价比的一款,它就是上压式微机控制
YAW-300D全自动压力试验机详解

YAW-300D全自动压力试验机详解

随着压力试验机应用的增多,它的市场获得了很大程度的扩大,市面上的压力试验机类型也越来越多,今天压力试验机厂家--迈捷为大家讲解一下YAW-300D全自动压力试验机的一些基本情况
压力试验机的维护保养可分为三个过程

压力试验机的维护保养可分为三个过程

随着 压力试验机 应用的增多,人们在操作使用中暴露出来的问题也越来越多,人们也认识到了试验机的维护保养的重要性,那该类试验机的维护保养该如何进行呢?济南迈捷试验机为
液压全能试验机油管接头漏油改造实践

液压全能试验机油管接头漏油改造实践

经历段时间运行的 液压全能试验机 经常会现漏油现象特别是仍在众多单位服役的大国产老式试验机,漏油现象相当普由于故障通常不致造成试验机瘫痪此仪器生产商对通常不是很重视
抗压夹具对水泥压力试验机试验数据的影响

抗压夹具对水泥压力试验机试验数据的影响

水泥压力试验机是一种比较常见的计量器具,对它的检定只是依据现有通用的试验机检定规程进行,抗压夹具在其中起着非常重要的作用。本文通过两种试验方法给出了用或不用抗压夹
抗压强度试验中压力试验机偏载性能的分析和测

抗压强度试验中压力试验机偏载性能的分析和测

许多建材在投入使用前都需要进行抗压强度的试验,比如砖砌体、水泥、混凝土(砼)等。抗压强度作为其重要的物理性能,直接指导着水泥及混凝土制造厂的生产和建筑设计院的设计,
压力试验机如何保持数据准确

压力试验机如何保持数据准确

众多领域都在使用压力试验机等设备,测量材料数据,了解更多材料的相关力学性能,拓展其相关应用范围。压力试验机主要是测量金属、非金属等材料的力学性能,详细了解材料测量
液压全能试验机的四大常见问题和排查方法

液压全能试验机的四大常见问题和排查方法

液压全能试验机 的故障和产生部位很多,对于不同结构的试验机,具体产生的问题也有所不同,但常见有以下4种,济南迈捷试验机将这的四种常见的问题和排查方法给大家介绍一下:
液压全能试验机与其他试验机的区别

液压全能试验机与其他试验机的区别

为了社会进步,全能试验机也在不断地更新,现在市面上有很多种类的试验机,不同的试验机针对不同种类的产品。 液压全能试验机 好像更受客户的欢迎,大部分客户也会选择购买使
压力试验机的安装和调试的注意事项

压力试验机的安装和调试的注意事项

什么是 压力试验机 呢?简单来说,它是一种测试设备,针对不同材料基本性能的检测,可以进一步提高产品品质的要求以及材料的基本品质,所以它也是各类材料在性能方面的检测专家
安装电子全能试验机要注意细节

安装电子全能试验机要注意细节

电子全能试验机 功能类型有很多种,所以使用范围也各有不同,不同领域所用到的功能,以及设备所要展现的性能都是有所不同的,所以设备本身的安全是非常重要的,那么这种设备在
怎样延长电子全能试验机的使用寿命?

怎样延长电子全能试验机的使用寿命?

电子全能试验机是目前比较常见的教学检测设备,主要是提供给高等院校、科研机构等。由于其以教学为目的,其使用率也就相对很高。
混凝土压力试验机怎样使用可以使数据更准确?

混凝土压力试验机怎样使用可以使数据更准确?

混凝土压力试验机主要是测试混凝土抗压强度,主要应用场所是混凝土建筑,随着人们生活水平提高,人们喜欢住大房子,同时人们占地面积也在缩小,这时就需要更高的楼来供应人们

山东精诚工业自动化设备有限公司 版权所有

备案号:鲁ICP备2025148310号

咨询热线:18668952203

联系我们

  • 邮箱:sdjcgysb@163.com
  • 手机:18668952203
  • 手机:15653138501
  • 公司地址:山东省聊城市莘县河店镇马桥工业园西首路南

关注我们