水泥压力试验机是一种比较常见的计量器具,对它的检定只是依据现有通用的试验机检定规程进行,抗压夹具在其中起着非常重要的作用。本文通过两种试验方法给出了用或不用抗压夹具对水泥压力试验机试验数据的影响,并给出了造成这种影响的原因和解决的办法。
1 引 言
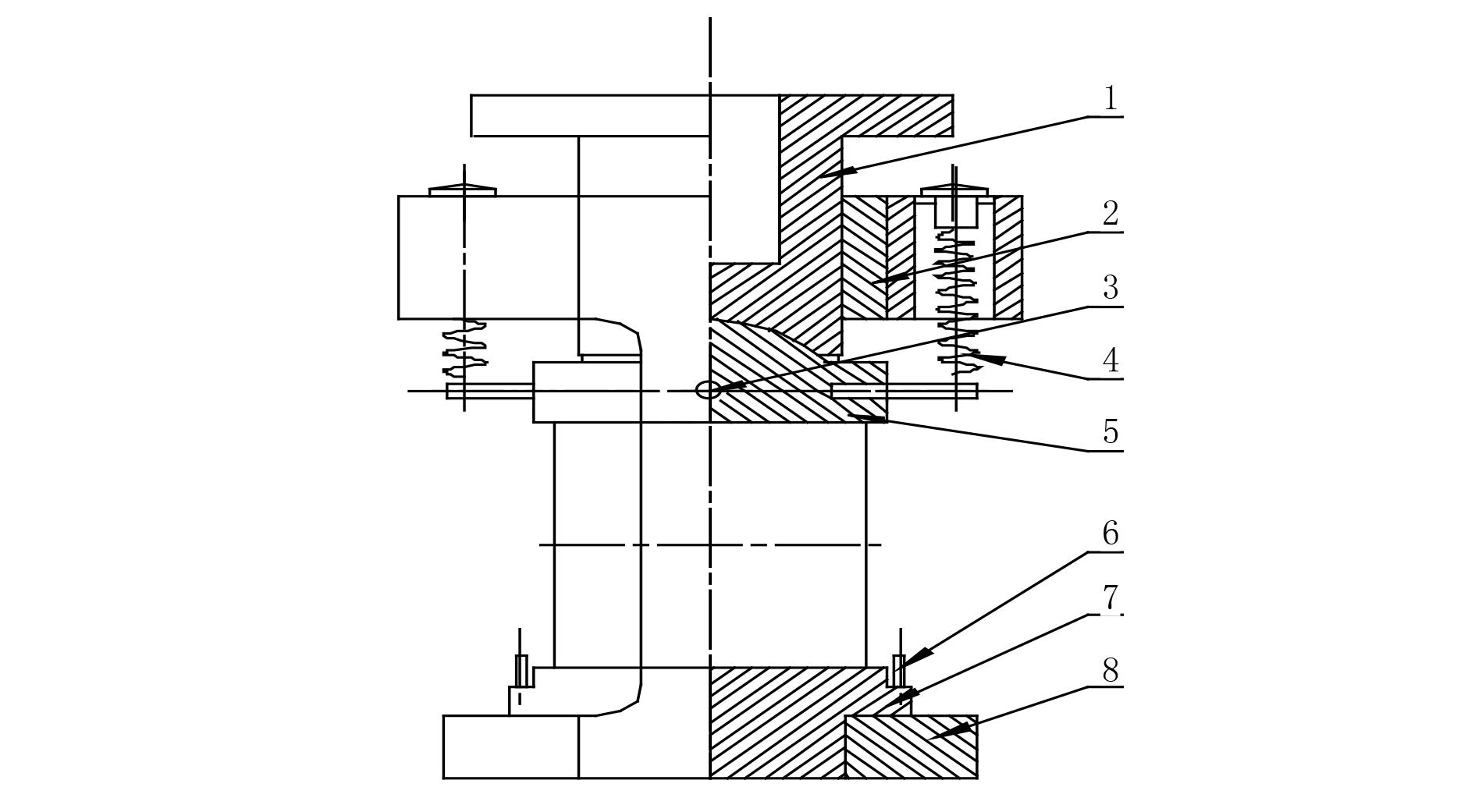
水泥压力试验机是以恒定的加力速度把试验力通过水泥标准抗压夹具施加到试样上,通过传感器,经信号放大和模数转换器传输到计算机,由计算机控制和显示试验力值、加力速度、时间和力值曲线等参数,是建筑、建材、交通等行业检测水泥抗压强度等力学性能的计量仪器。水泥抗压夹具的结构如图1所示。

1.传压板 2.铜套 3.定位销 4.吊簧 5.上压板和球座
6.定位销 7.下压板 8.框架
图1 抗压夹具结构示意图
2 试验背景
由于国家没有针对此类试验机的具体的技术法规,所以计量人员均采用通用的试验机检定规程JJG139-2014《拉力、压力和全能试验机》对其进行计量检定。由于标准器尺寸的限制,基本上都将抗压夹具从设备上拆除,然后进行计量检定。这样做的好处就是有效地避免了抗压夹具对检定示值的影响,但是这样就和实际使用方式产生了差异。理想状态下,抗压夹具不会对检定示值产生影响,但
在试验过程中,不能避免抗压夹具内部产生摩擦,有摩擦就会有阻力,就会对试验结果产生影响。
3 原始试验数据
为验证抗压夹具对检定示值的影响,笔者做了大量的试验,下面给出了一组采用新制抗压夹具完成的具有代表性的试验数据。为了避免偶然性造成的随机误差,笔者在进行试验时,对每种情况都进行了10次试验,以10次试验的算术平均值作为试验结果。
表1 不用抗压夹具完成的试验数据

表2 使用抗压夹具完成的试验数据

表1给出了不用抗压夹具完成的10组试验数据和每一个测量点的平均值,表2给出了使用抗压夹具完成的10组试验数据和每一个测量点的平均值。从两个表的对比可以看出,两种试验方法得到的试验数据是不完全相同的,在每一个测量点,不用抗压夹具的试验数据要比使用抗压夹具的试验数据要偏高一些,这可能是由于在试验机加力过程中,抗压夹具内部产生摩擦阻力所导致的。
4 两组试验数据的直观比较
为了更加直观地反映两组试验数据的区别,绘图显示两组试验数据的对比,如图2和图3所示。其中,图2给出了以标准力值为横坐标、以两组试验中试验机的显示值为纵坐标的曲线图。从图中可以看出,两组试验数据的线性度是非常好的,每一个测量点基本上在拟合曲线上,两组试验数据拟合的直线斜率分别为k=0.993105和k=0.983863,这与表1、表2中试验数据的差异是相符的。这种差异在图3中反映得更为明显,图3给出了以标准力值为横坐标、以两组试验中试验机显示值与标准值的比值为纵坐标的曲线图,从图中可以明显地看出,两组试验数据的曲线完全没有交集,差不多是两条平行的曲线,两条曲线之间的距离基本上在0.005~0.01之间。

图2 两组试验数据对比

图3 两组试验数据与标准值比值的对比
5 抗压夹具的影响结果分析
一般水泥压力试验机的准确度等级为1级,即试验机示值的大允许误差(MPE)为 1%。不用考虑图3中同一条曲线某一个点或某几个点偏离标准值的多少,因为可以通过软件对这些偏离的点进行重新校准。重要的是抗压夹具让两条曲线间产生了很大的距离,按照现在的检定方法,试验机是合格的,但在实际使用中的力值极有可能是不合格
的。也就是说,检定的结论并没有对实际使用中的试验数据进行正确的评判。
造成上述问题的直接原因就是采用了抗压夹具,如果能够不用抗压夹具,上述的一切问题都迎刃而解,但水泥抗压夹具是国家标准规定的用于检验水泥抗压强度的统一装置,是不能被取代或不用的。所以,要想解决上述问题,只能通过改变压力试验机的检定方法来实现,采用的标准测力仪,在抗压夹具里完成压力试验机的检定,这样才能保证检定的方式和实际使用中的方式是一致的,才能正确地反映出压力试验机在实际试验中测试数据的准确程度,才能有效地屏蔽掉抗压夹具对水泥压力试验机试验数据的影响。
抗压夹具对水泥压力试验机试验数据的影响是不可能避免的,只能通过某种方式来屏蔽这种影响,让这种影响不至于影响实际使用中的试验数据,只有这样才能达到计量器具进行计量检定的真实目的。